RF-MARKET BLOG
Khanfar Spectrum Analyzer
Khanfar Spectrum Analyzer
Quand une simple clé SDR devient un véritable outil d'analyse RF avancé

Il y a des logiciels SDR qui permettent d'écouter.
Et il y a ceux qui permettent de comprendre.
Le Khanfar Spectrum Analyzer appartient clairement à la seconde catégorie.
A première vue, on pourrait le ranger parmi les nombreux outils SDR disponibles sur le marche. Mais en pratique, il s'inscrit dans une logique bien differente : celle d'une plateforme d'analyse RF structuree, intelligente et exploitable, la ou la plupart des outils restent dans une approche purement visuelle.
C'est precisement ce qui en fait un outil interessant — et, dans certains cas, profondement differentiant.
Une philosophie differente du SDR classique
L'approche traditionnelle du SDR repose sur un modele simple :
on capte un signal → on le visualise → on interprete.
Le Khanfar Spectrum Analyzer casse cette logique.
Il ne se contente pas d'afficher un spectre. Il introduit une couche d'intelligence :
- detection automatique des signaux
- analyse contextuelle
- historisation des evenements
- exploitation des donnees
Autrement dit, il transforme une cle SDR en un veritable systeme d'observation radio semi-autonome.
Une cle SDR… mais augmentee
Le fonctionnement reste base sur le pipeline classique :
Signal RF → SDR → donnees IQ → FFT → analyse logicielle
Mais la ou un outil classique s'arrete a la FFT et au waterfall, Khanfar ajoute :
- une analyse statistique avancee
- une detection intelligente
- une correlation temporelle
- un systeme de reporting
Avec un simple RTL-SDR, limite a quelques MHz de bande passante, le logiciel reconstruit un spectre large via un balayage rapide et une agregation des donnees.
Point cle
On ne regarde plus une tranche du spectre
On observe un environnement RF global
Le coeur du systeme : la detection intelligente
Le veritable differentiateur du logiciel se trouve dans son moteur de detection.
Contrairement aux outils SDR classiques bases sur des seuils fixes, Khanfar implémente des algorithmes avances issus du monde radar :
CFAR – Constant False Alarm Rate
- seuil adaptatif base sur le bruit local
- analyse cellule par cellule
- robustesse en environnement RF instable
Le logiciel implemente plusieurs variantes :
- CA-CFAR (Cell Averaging)
- OS-CFAR (Ordered Statistic)
Ces methodes permettent de maintenir un taux de fausse alarme constant, meme lorsque le bruit fluctue fortement.
SPRT – Sequential Probability Ratio Test
Khanfar va encore plus loin avec une approche statistique :
- decision progressive basee sur les donnees
- analyse temporelle des signaux
- trique de confiance associee
Resultat :
- detection de signaux jusqu'a 2-3 dB plus faibles
- reduction significative des faux positifs
- meilleure robustesse en environnement complexe
Hybridation CFAR + SPRT
L'association des deux technologies permet :
- analyse spatiale (frequence) avec CFAR
- analyse temporelle avec SPRT
Approche hybride
Une approche hybride rarement presente dans le monde SDR
Typiquement reservee a des systemes radar professionnels
Multi-SDR : depasser les limites physiques
L'un des aspects les plus puissants du logiciel est sa capacite a gerer plusieurs SDR simultanement.
Fonctionnalites :
- detection automatique des equipements
- synchronisation des flux
- fusion spectrale
Compatible avec :
- RTL-SDR
- Airspy
- HackRF
Cette approche permet :
- d'elargir la bande passante observee
- de couvrir plusieurs zones frequentielles
- de construire un analyseur large bande a faible cout
Une suite logicielle complete

Khanfar n'est pas un simple logiciel, mais une suite complete :
- Spectrum Analyzer (analyse temps reel)
- Spot Scanner (detection intelligente)
- Spectra-All (multi-SDR fusion)
- IQ Recorder / Playback
- Direction Finding
- Visualisation GPU (Fosphor)
Chaque module repond a un besoin specifique :
- detection
- analyse
- enregistrement
- exploitation
Gestion avancee des donnees IQ
Le logiciel propose :
- enregistrement en formats professionnels (SigMF, VITA-49, CF32)
- stockage des metadonnees (frequence, SNR, timestamp)
- replay complet
Ces capacites permettent :
- forensic RF
- analyse offline
- reproduction d'evenements
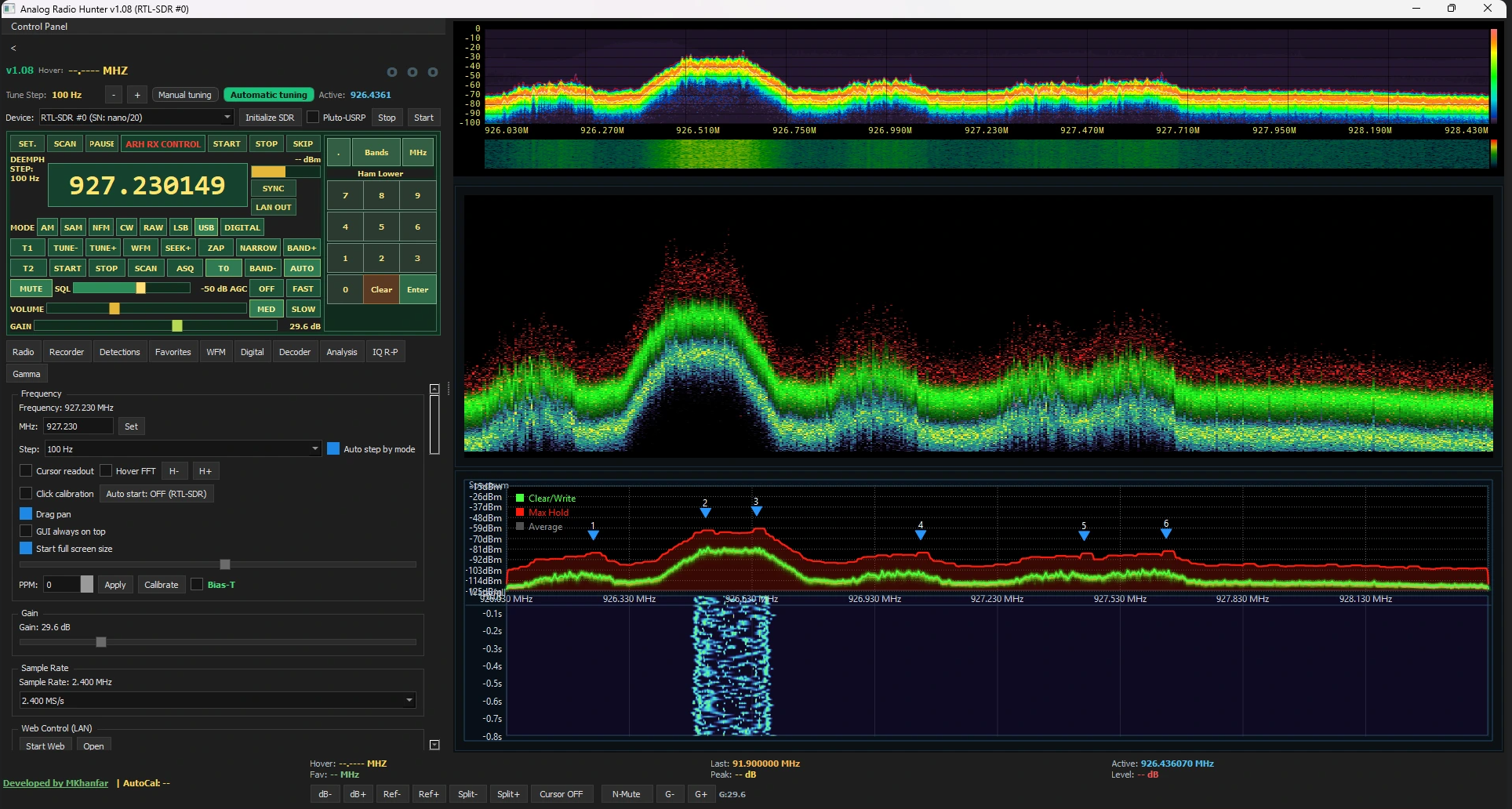
Visualisation orientee analyse
Fonctionnalites :
- FFT temps reel
- waterfall
- visualisation 3D
- acceleration GPU
Mais surtout :
- marquage automatique des signaux
- suivi temporel
- correlation des evenements
Vision
La visualisation devient un outil d'analyse, pas seulement d'affichage
Une donnee exploitable
Contrairement aux outils SDR classiques, Khanfar produit :
- logs horodates
- rapports statistiques
- distribution frequentielle
- analyse de puissance
Exemples :
- top frequences
- timeline des detections
- classification des signaux
Valeur Ajoutee
On passe d'un outil temps reel a une logique d'observabilite RF
Usage terrain : fixe, mobile, operationnel
Usage fixe
- station RF
- SOC radio
- surveillance continue
Usage mobile
- audit RF terrain
- analyse d'interferences
- detection de signaux
Usage discret
- capteurs autonomes
- monitoring distant
- surveillance ciblee
Avec integration Telegram :
- alertes temps reel
- supervision a distance
- automatisation
Positionnement face aux logiciels SDR
Les outils SDR classiques :
- SDR#
- SDR++
- GQRX
- CubicSDR
sont orientes :
- visualisation
- ecoute
- experimentation
Khanfar se positionne sur :
- detection
- analyse
- exploitation
Differences majeures :
- detection automatique
- CFAR (niveau radar)
- multi-SDR natif
- reporting integre
- monitoring distant
Cas d'usage a forte valeur
Cybersecurite
- detection de transmissions suspectes
- analyse IoT radio
- surveillance RF
Industriel
- diagnostic d'interferences
- audit spectre
- optimisation radio
Securite / investigation
- detection de balises
- analyse d'emissions
- recherche terrain
Recherche
- traitement du signal
- experimentation RF
- radar SDR
Creation de valeur
Avec un materiel low-cost :
- transformation d'un RTL-SDR en analyseur avance
- detection intelligente automatisee
- production de donnees exploitables
Transformation
Passage d'un outil technique a un outil metier
Le logiciel apporte des capacites proches d'equipements professionnels a cout reduit.
Limites
Points d'attention
- dependance a la qualite du SDR
- precision inferieure aux analyseurs RF professionnels
- logiciel proprietaire
- necessite d'isoler l'environnement (securite)
Conclusion
Le Khanfar Spectrum Analyzer marque une evolution importante dans le monde SDR.
Il ne s'agit plus simplement d'observer un spectre, mais de :
- detector
- analyser
- exploiter
Il comble l'ecart entre :
- le monde amateur
- le monde professionnel
Et ouvre une perspective strategique forte :
Celle d'un SOC radio accessible, base sur du materiel low-cost mais une intelligence logicielle avancee.